气控阀系列
3A系列3通气控阀
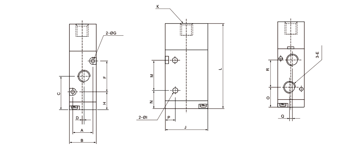
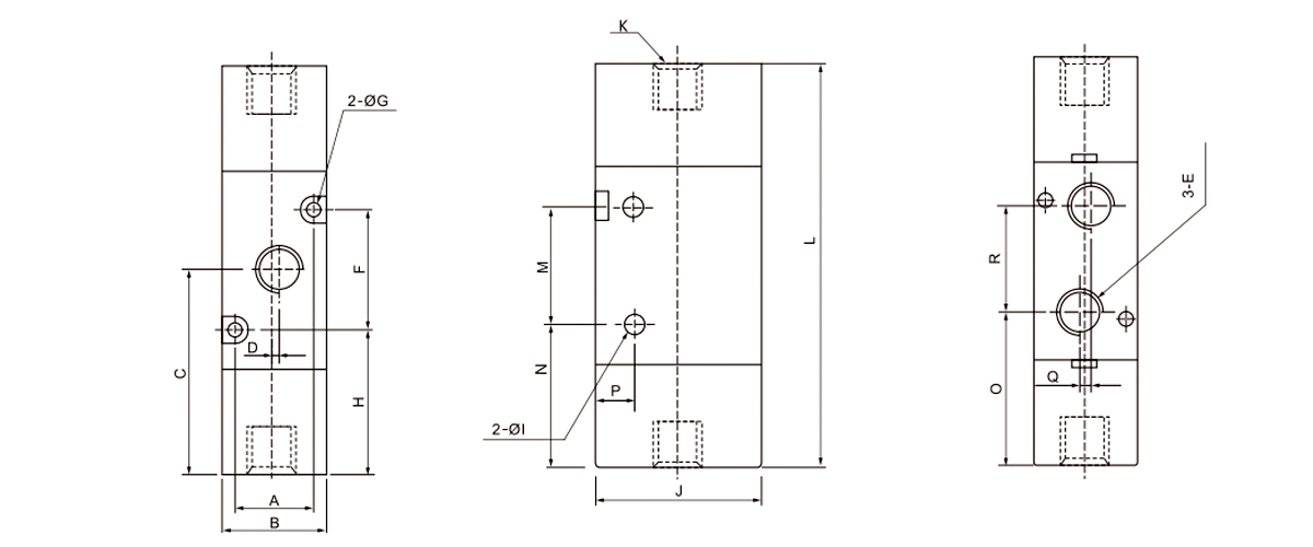
3A系列3通气控阀是工业自动化流体控制领域的核心执行元件之一,专注于实现压缩空气通路的切换与流向控制。
核心特性概述
特定阀芯构型与动态响应:采用滑柱式阀芯设计,内部密封效能显著,赋予阀门优异的响应灵敏度,确保状态切换迅速可靠。
状态保持机制:双控模式具备状态保持特性(记忆功能),输入信号撤销后阀门出□状态维持不变,直至反向控制信号触发。
精密工艺与长寿命:核心流道经精密加工工艺处理,有效降低运动部件摩擦阻力,带来极低的启动气压需求,同时极大延长了阀门服役周期。
无油运行适应性:整体结构与材料设计满足无油给油工况要求,可直接接入常规无油给油气源系列运行。
便捷集成特性:结构设计优化安装流程,兼容主流工业接口标准,实现快速部署(即装即用)。
模块化组合特性:支持通过标准化基板集成多阀构成紧凑阀组,大幅优化设备空间利用率(空间集约化设计)。





