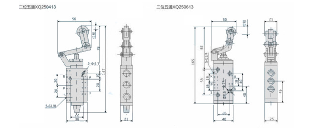
机械阀系列
XQ系列机械阀
机械阀采用手动方式直接控制阀芯的开启和关闭,不依赖外部能源(如电力、气压等)进行工作;
由于其结构相对简单,机械阀在无电源供应或控制系列失效的情况下仍能正常工作,具有较高的可靠性和自锁性;
机械阀内部零件少,受环境因素影响较小,维护保养较为简单,使用寿命较长;
相较于电控或气动阀,机械阀的动作响应速度可能较慢,且调节精度相对较低,但适用于无需频繁调整或精确控制流量、压力的场合;
机械阀的成本相对较低,安装简易,对操作人员的技术要求不高,因此在很多工业领域和民用设施中有广泛应用;
有多种按钮、开关可以选择,适用于不同工况下的使用。
E-mail: manager@cktworld.com
下载










