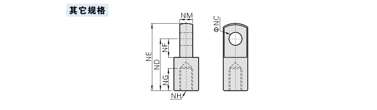
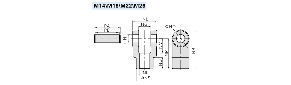
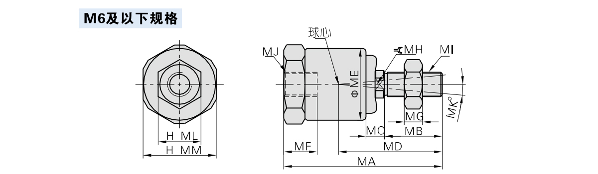
气缸连接附件
气缸配件
气缸配件作为气缸系列的核心配套部件,其科学选型对保障气缸运行的可靠性、控制精度、使用寿命及运行效率具有决定性作用。该系列附件通过高强度材质、精密加工工艺及优化结构设计,可全面提升气缸在各类工况下的综合性能,降低维护成本,适用于高精度自动化生产场景。
核心特点
1.高可靠性:采用高强度合金锻造,可承受 1.6MPa 工作压力及 ±5% 压力波动;耐油丁腈橡胶与聚四氟乙烯复合密封组件,在 - 30℃至 120℃温度范围内实现 8000 小时以上无泄漏运行,显著降低停机风险。
2.精密控制:配合公差达 IT5 级,端面跳动量≤0.01mm/m,确保气缸与负载同轴度误差≤0.02mm,活塞运动直线度偏差控制在 0.05mm/100mm 内,重复定位精度达 ±0.01mm。
3.超长寿命:表面硬铬镀层处理(硬度 HV700 以上),滑动摩擦系数低至 0.08,配合自润滑轴承,磨损量≤0.001mm/10 万次运动,额定工况下可实现 300 万次以上无故障循环,寿命较普通附件延长 3 倍。
4.高效节能:流线型气流通道使沿程阻力系数降低 30%,气体响应速度提升 20%;轻量化铝合金材质(密度 2.7g/cm³)降低运动惯量,高速工况(1m/s)下能耗减少 15%,提升生产线效率。















