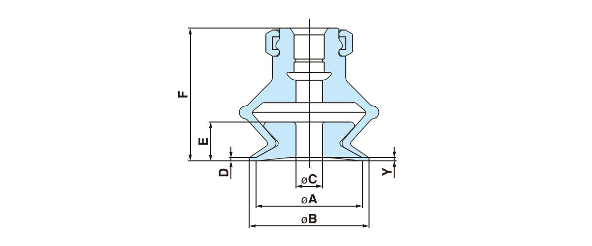
PEEK材质无痕吸盘附件
ZP2系列无痕型吸盘附件PEEK
1. 工件上不会残留吸着痕迹(橡胶成分)
2. 工件上附着吸盘橡胶成分
3. ZP系列风琴型(Ø6~Ø32)上最适用
E-mail: manager@cktworld.com
下载





