精密减压阀
IR系列精密减压阀
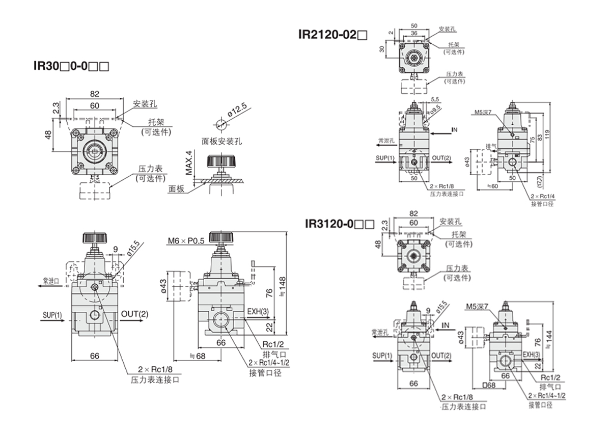
IR系列精密减压阀专为工业流体系列的高精度压力控制需求设计,通过优化的结构实现稳定的压力输出,是精密气动及液压回路的核心控制元件。
1.卓越的稳压性能 阀芯动力学设计与节流结构协同作用,确保输出压力与设定值偏差极小;对下游压力波动的动态响应迅捷,显著优化系列控制精度。
2.优异的工况适应性 在入□压力波动或流量阶跃变化工况下,其压力-流量补偿机制可有效维持输出压力一致性,保障系列持续稳定运行。
3.宽域流通能力 流道构型经流体动力学优化,在额定流量范围内保持线性压力特征,降低负载波动对稳压性能的干扰,适配动态工况需求。
4.模块化集成设计 提供多轴向安装接口与嵌入式支架结构,支持阀岛集成或独立部署,显著简化气路构建复杂度并提升空间利用率。
E-mail: manager@cktworld.com
下载





