手控阀系列
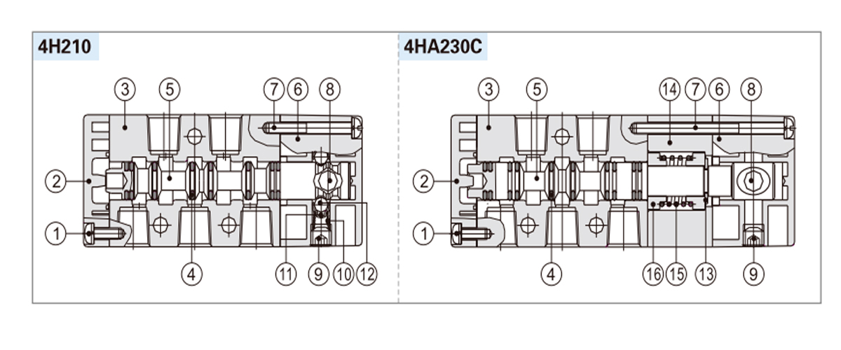
4H系列5通手动阀
4H系列5通手动阀是一款基础型手动换向控制元件,专为工业气动系列中精确切换双作用气缸或其他执行元件的供排气路径而设计。
主要特点:
操作可靠精准:采用直观的手动驱动方式,阀杆作动过程流畅,定位清晰明确,保证了切换动作的准确性与操作信赖感。
紧凑密封结构:核心的滑柱式阀芯设计,结合精细的密封方案,有效隔绝内泄漏,整体结构布局精巧,重量轻便,日常维护拆装便捷。
长效低阻运行:关键内孔通道经过特定表面处理方法处理,显著降低内部运动部件的摩擦阻力,有助于延长阀门整体使用寿命。
免维护给油:设计上无需依赖外部给油油进行给油,简化了使用环节,降低了后续维护的要求。
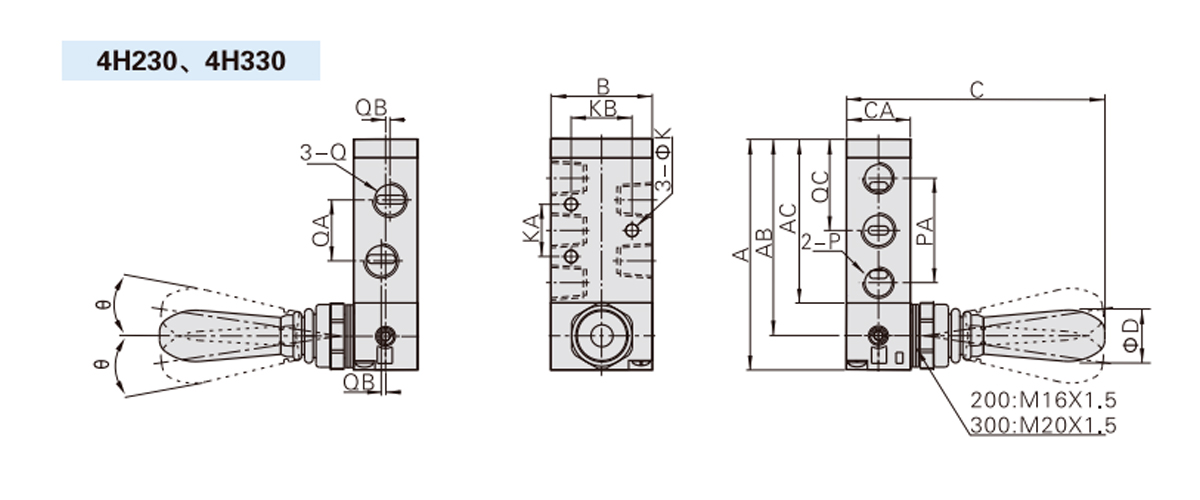
便捷安装适配:提供面板安装功能,简化了系列集成过程,安装简便稳固,增强了该阀门在不同应用场景中的适用性。
E-mail: manager@cktworld.com
下载







