迷你气缸
CM2系列不锈钢迷你气缸(双作用)
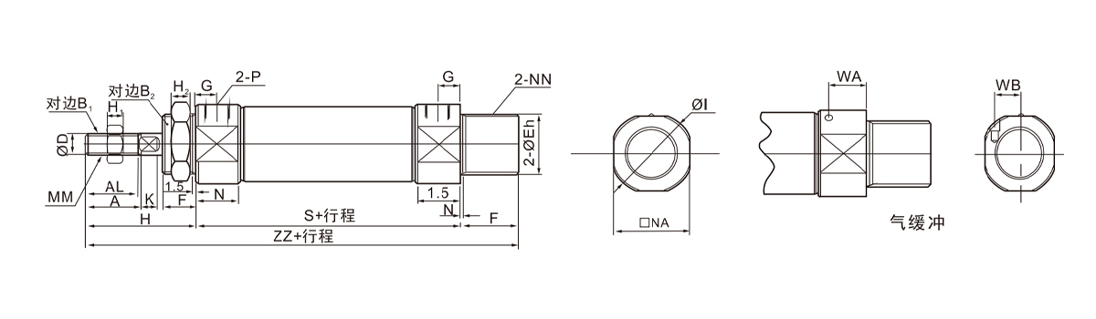
CM2系列不锈钢迷你气缸(双作用)专为空间受限工况设计的紧凑型不锈钢执行元件,具备双作用驱动力,兼顾耐蚀性与结构强度,适用于对耐环境性及可靠性要求较高的自动化场景。
核心特性:
·双缓冲适应性:气缓冲与橡胶垫缓冲双配置可选,适配不同负载工况的末端制动需求。
·轻量化耐蚀结构:铝制前后端盖降低整体重量,不锈钢缸筒提供基础防锈抗蚀屏障。
·基础腐蚀环境耐受:在含弱酸/碱雾气、潮湿或轻度化学介质暴露环境中保持稳定运行。
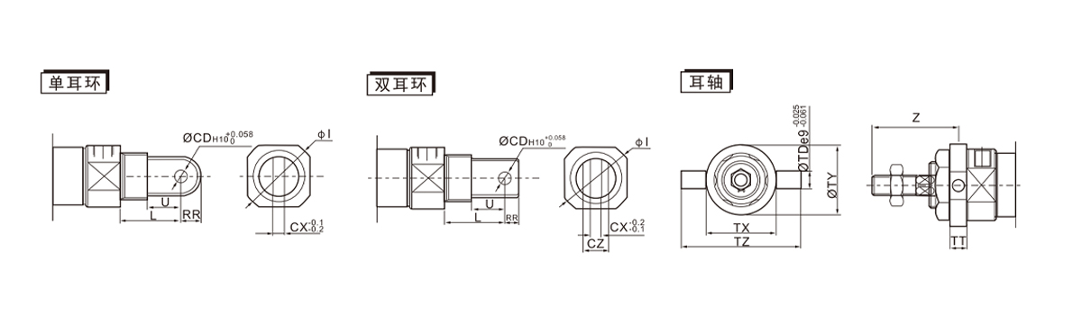
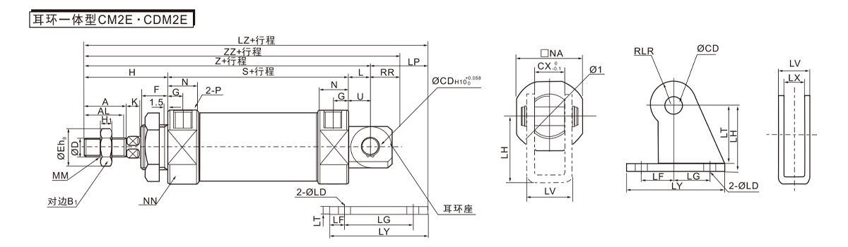
·模块化安装接口:支持多种标准安装附件(如耳轴、脚座、法兰等),可依据设备空间布局灵活组合。
E-mail: manager@cktworld.com
下载









