AC系列气源处理器
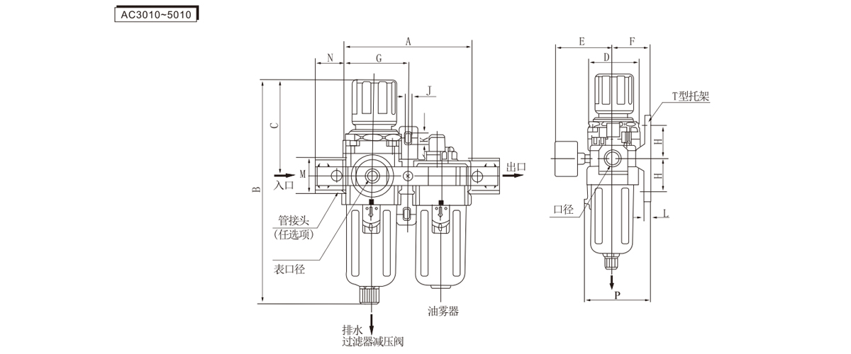
AC系列过滤组合(二联件)
AC系列过滤组合(二联件)是气动系列中用于压缩空气净化与压力调节的关键集成组件。
•高效过滤效果:通过组合配置的多级过滤介质协同作用,有效拦截气源中的固态杂质及液态油水微粒,确保处理后的空气质量满足系列需求。
•调压可靠压力稳定:集成调压单元具备稳定的输出特性和敏感的反应能力,即使在进气压力波动或下游流量负载变化的情况下,也能维持设定压力的高度一致性。
•起雾流量低,可不停气加油:润滑单元设计具备较低的起雾临界流量阈值,并在特定工况下支持运行中补充润滑剂,有助于维持系列连续运行。
•多个规格可选择:产品线覆盖不同流量处理能力和压力适应范围,提供多种规格选项,以适应多样的工况参数组合。
•接管口径:提供符合工业标准的多种接口尺寸,便于与不同通径的气动管路系列进行匹配连接。
E-mail: manager@cktworld.com
下载





