AC系列气源处理器
AR系列调压阀
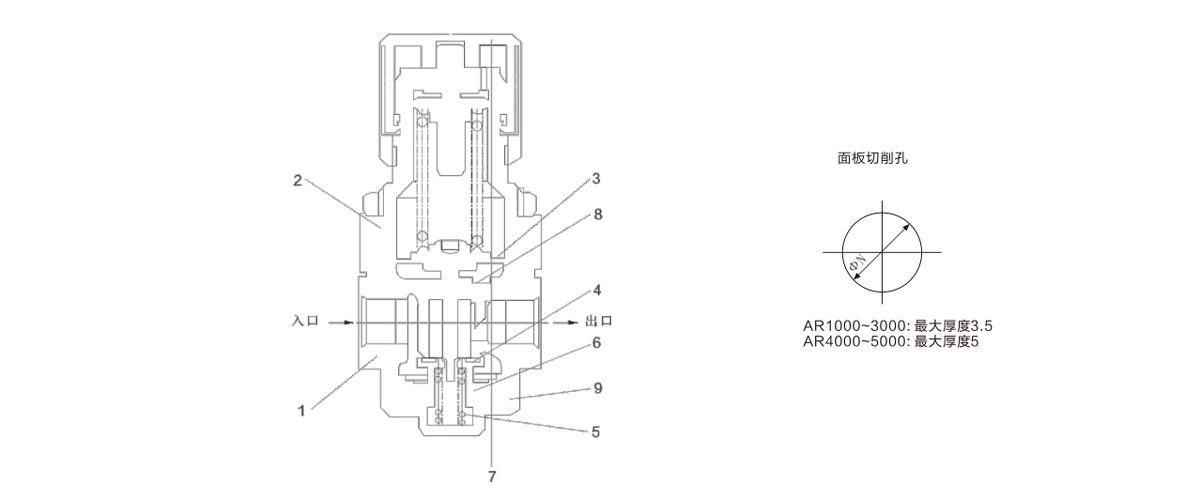
AR系列调压阀是工业流体控制领域中的压力管理体系组件,通过动态平衡机制实现对介质压力的精准调控,适用于各类复杂工况下的稳定压力需求。其设计融合了结构性冗余与流体动力学优化原理,确保系列压力的一致性输出。
核心特性
1. 全工况压力适配能力
——内置多级压力补偿机构,通过自适应阀芯反馈系列抵消流量波动与上游压力扰动,建立稳态压力域,保障终端设备免受压力突变冲击。
2. 系列集成友好型架构
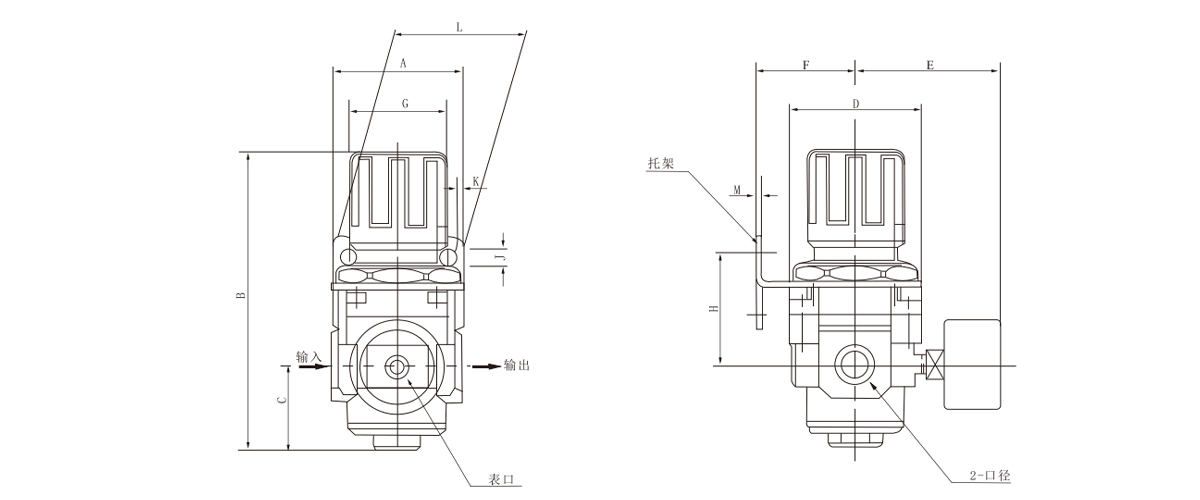
——采用模块化接口拓扑设计,支持轴向/径向多维管路配置,兼容标准工业法兰与快速接头系列,显著降低部署复杂度与管线重构成本。
3. 可扩展压力梯度覆盖
——提供跨压力阶层的系列化产品矩阵,涵盖低压微调至高压抑制场景,支持用户根据系列压力阈值弹性匹配对应压力区间的阀体解决方案。
E-mail: manager@cktworld.com
下载





