气动抓爪
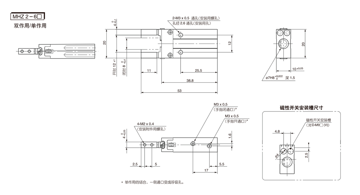
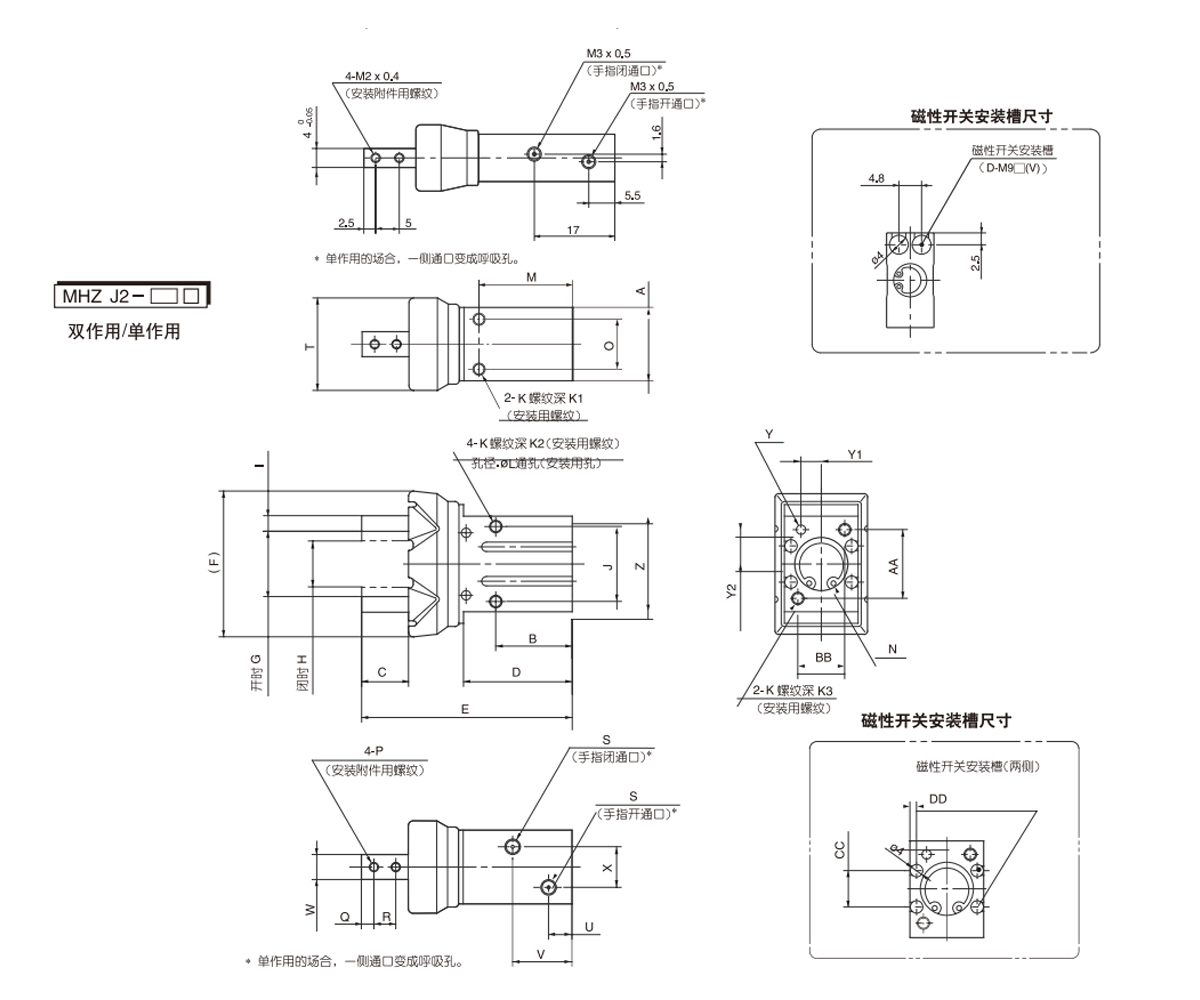
MHZ2系列(平行开闭型)气爪
MHZ2系列平行开闭型气爪专注于提供稳定可靠的平行夹持动作,其设计理念在于平衡核心性能与适应性,满足自动化执行环节中对精密抓取的基本需求。
核心特性:
1.集成导向系列:采用一体化设计的导向机构,确保了执行元件在运行过程中具备足够的结构刚性和动作精度基础。
2.导向稳定性强化:导向部件底部设有辅助定位结构,旨在维持关键运动部件与主体结构间的相对位置关系,提升长期运行的可靠性。
3.精密定位表现:优化的结构设计带来了良好的定位一致性,有助于实现对工件的准确夹持,增强夹取过程的确定性。
4.灵活安装兼容:提供多种标准化的安装接口,便于集成到不同的设备布局或空间约束环境中应用。
5.本体集成控制辅助:本体预设了磁性元件,为标准位置检测装置的集成提供了基础便利条件。
6.感应开关适应性:缸体表面设计有多个感应开关安装槽位,为检测装置的布局提供了调整空间,以适应不同的信号采集需求。








