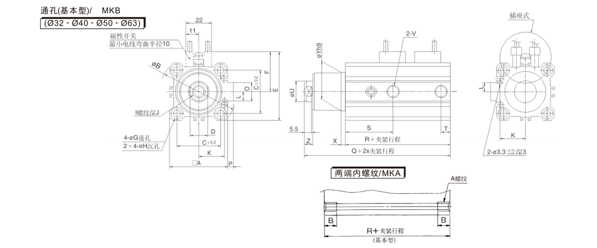
回转气缸
MK系列回转夹紧气缸
MK系列回转夹紧气缸是一款集成旋转驱动与径向夹紧功能的复合型气动执行元件。其一体化设计通过单气缸同步完成工件旋转定位与刚性锁紧,显著优化机械系列复杂度。
核心特点:
▸双动复合结构 气路驱动下实现旋转与夹紧动作的时序联动,无需额外传动机构,消除多执行器协同误差
▸空间集约优势 旋转轴心与夹爪同轴布局,较分体式方案减少40%以上轴向安装空间
▸高刚性闭锁 楔形扩力机构在终点位产生机械自锁效应,夹持力保持不受气源波动影响
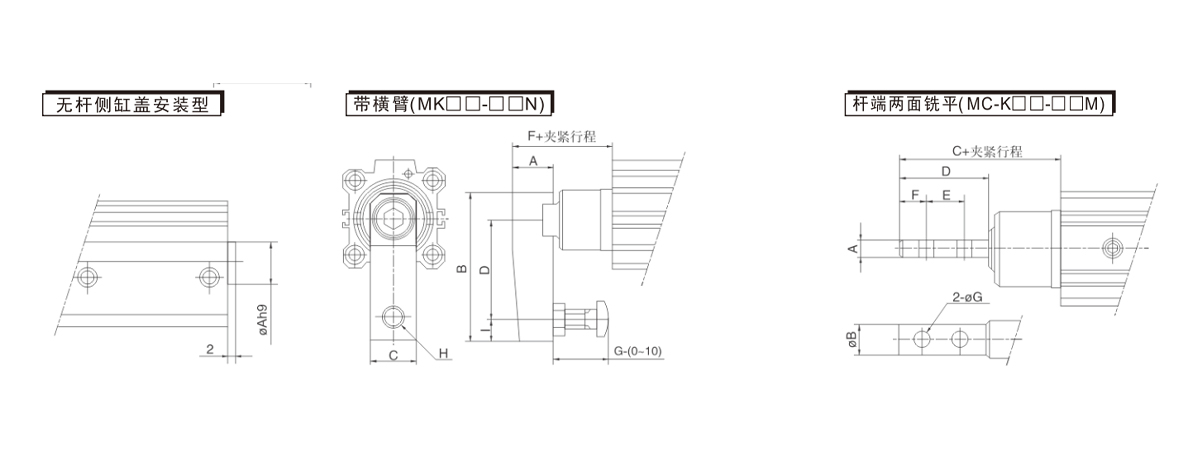
▸宽域适配性 模块化接口兼容ISO标准安装基板,支持定制夹爪行程与旋转角度(90°/180°)
▸长效密封防护 导向部采用双唇□耐磨密封环,内部集成刮尘结构,适应切削油雾环境
E-mail: manager@cktworld.com
下载







