精密滑台气缸
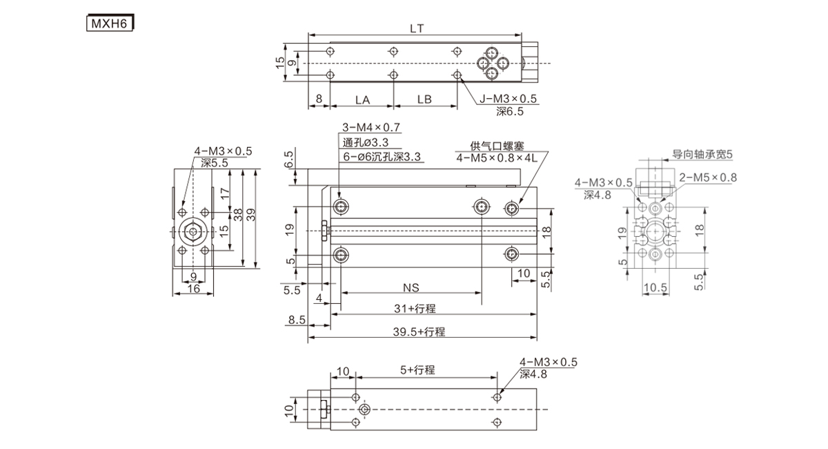
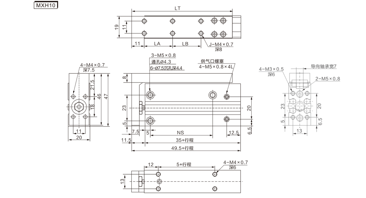
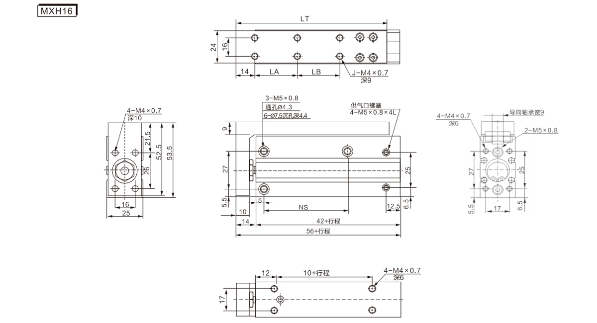
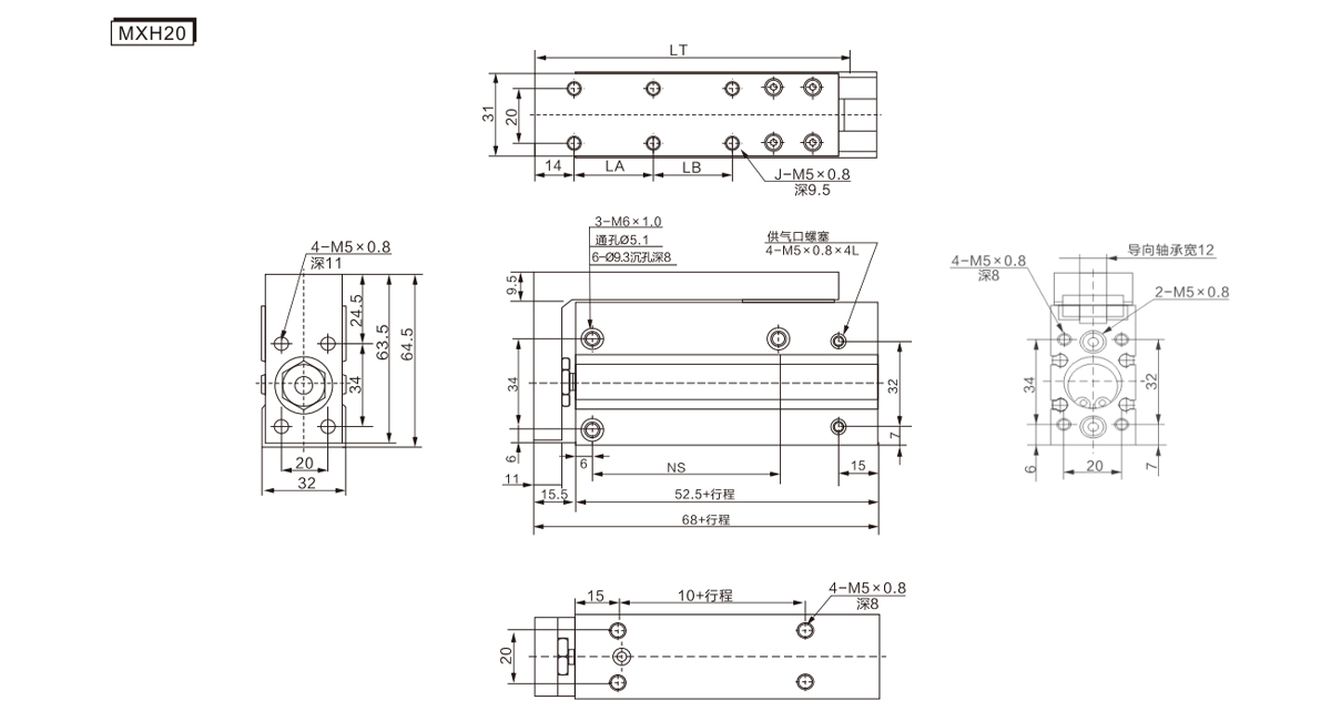
MXH系列小型滑缸式(直线导轨)(Ø6~Ø20)
1. 装上线性导向轴承,提高活塞杆不回转精度;
2. 标准型内置磁环,可安装行程感应磁性开关;
3. 可从三面连接气源;
4. 可两面安装磁性开关;
5. 标准型两端橡胶缓冲;
6. 允许力矩为MXU系列的六倍。
E-mail: manager@cktworld.com
下载







