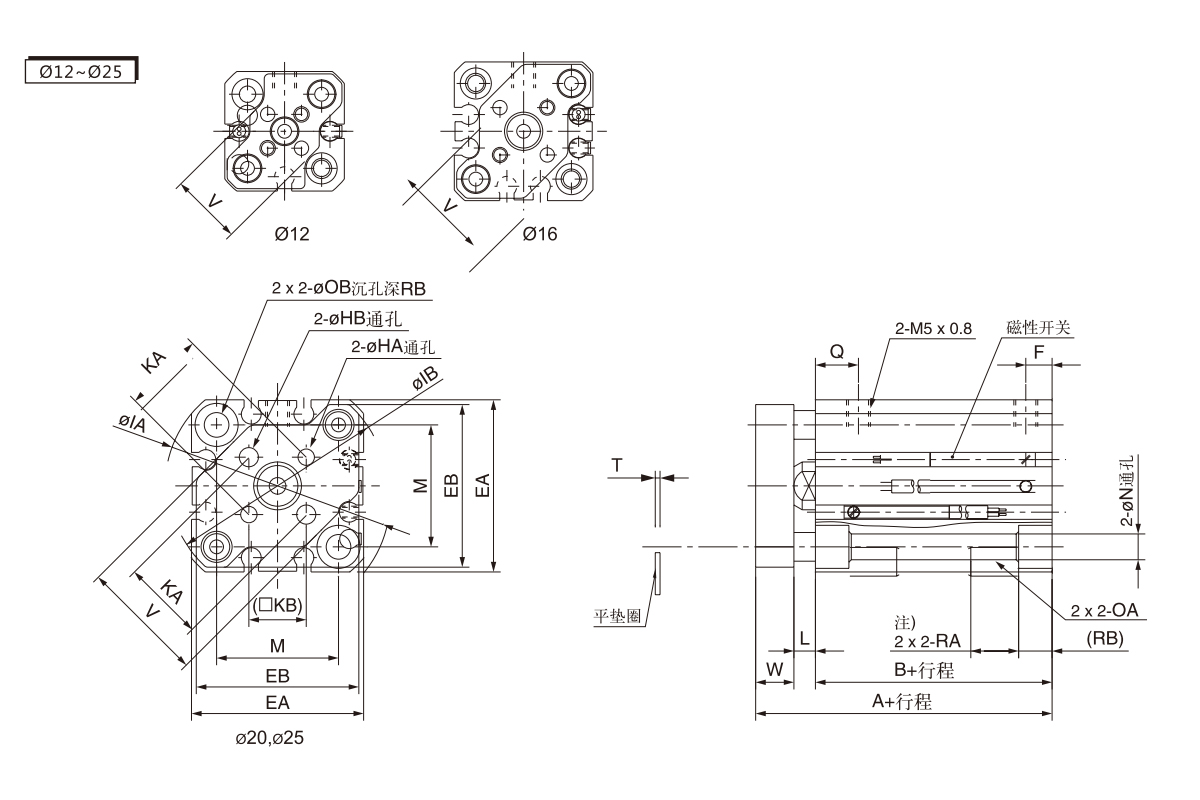
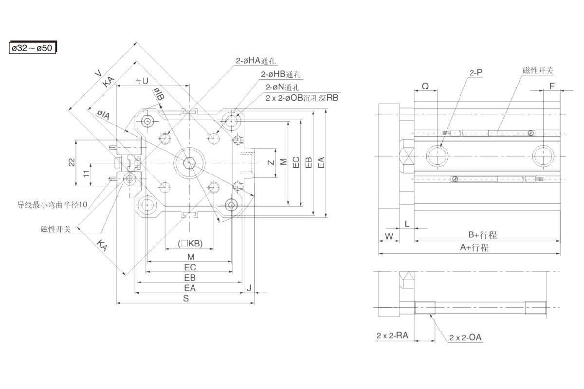
薄型气缸
CQM系列薄型气缸(带导杆)
CQM系列薄型气缸(带导杆) 专为高刚性导向与紧凑空间工况设计,通过双导杆结构集成负载支撑与抗扭转功能,满足精密定位需求。
1.标准化与强化结构
遵循JIS标准规范,采用双导杆一体化设计,确保结构刚性与运行稳定性。
2.空间适应性
紧凑型本体显著降低安装空间需求,适用于空间受限的自动化场景。
3.复合抗偏载能力
双导杆系列同步抑制旋转偏移,提供优异的抗弯曲及抗扭转性能,适应非对称负载工况。
4.高负载兼容性
导杆机构可承载较大运动负载与侧向力,降低悬臂工况对缸体的应力影响。
5.精密导向控制
末端不回转精度≤±0.2°,保障高精度直线运动轨迹。
6.安装兼容性
主体安装尺寸与同规格标准薄型气缸系列互通,支持设备快速替换或升级。
E-mail: manager@cktworld.com
下载






