薄型气缸
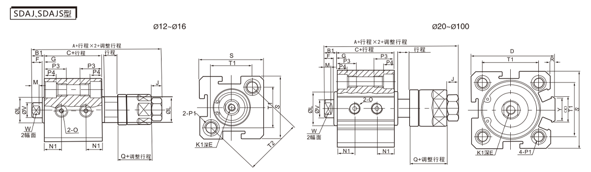
SDAJ系列薄型可调行程型气缸
SDAJ系列薄型可调行程型气缸属于结构紧凑的薄型气缸,其核心特点在于集成了行程调节功能,在保证基本缸体低矮外形的同时,提供了灵活设定活塞杆伸出或缩回最终位置的能力,优化了设备布局空间并提升了动作控制的适应性。
1.紧凑薄型化设计:整体结构高度显著低于常规气缸,有效节省轴向安装空间,尤其适用于空间受限的紧凑型自动化设备或装置布局。
2.内置行程调节机构:行程设定调整通常设计在缸体端盖处,可通过简易操作(如旋转调节螺栓或类似结构)实现活塞杆端点位置的无级或分段微调,满足不同工况下行程精确定位的需求。
3.适应性调节范围:允许在特定范围内(具体范围依型号规格而异)对气缸的标准行程进行缩减设定,增加了气缸对不同应用场合的适应性与灵活性。
4.行程设定稳定性:行程调节机构具备锁定功能,确保在气缸工作循环中设定的行程值稳定可靠,避免因振动等因素导致的位置漂移。
5.核心性能保持:在实现薄型化和可调行程的同时,该系列气缸仍保持了标准气缸的基本输出力、运行速度及工作寿命等核心性能特性。
6. 典型应用场景: 常用于需要精确控制最终位置且安装空间受限的场合,例如物料定位、工件夹紧释放、挡停装置、精密组装、小型自动化单元等领域,为紧凑型自动化解决方案提供关键驱动支持。




