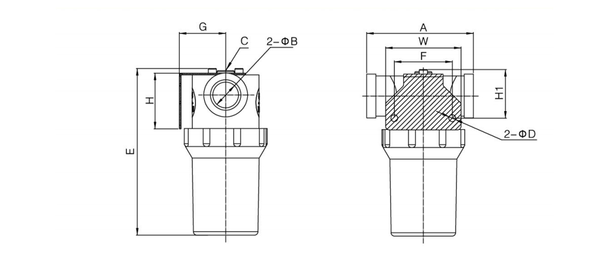
真空过滤器
CBF系列真空过滤器
1. 过滤从进气□吸入的灰尘和其他杂质。
2. 透明外壳,可以直观过滤器的污染程度。
3. 滤芯可以快速更换。
4. 减少真空泵和真空发生器运行中断或者运行停止的危险。
5. 有不同的公称流量规格可供客户选配。
E-mail: manager@cktworld.com
下载






