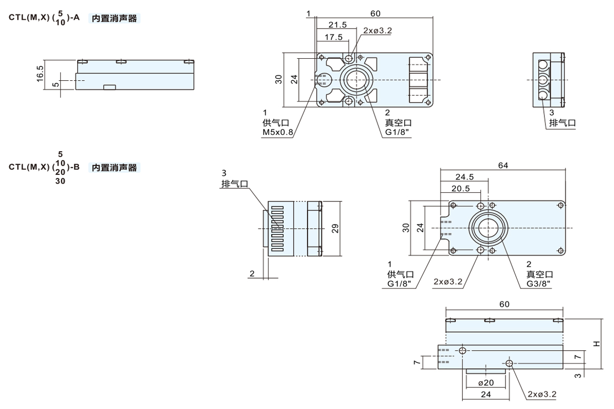
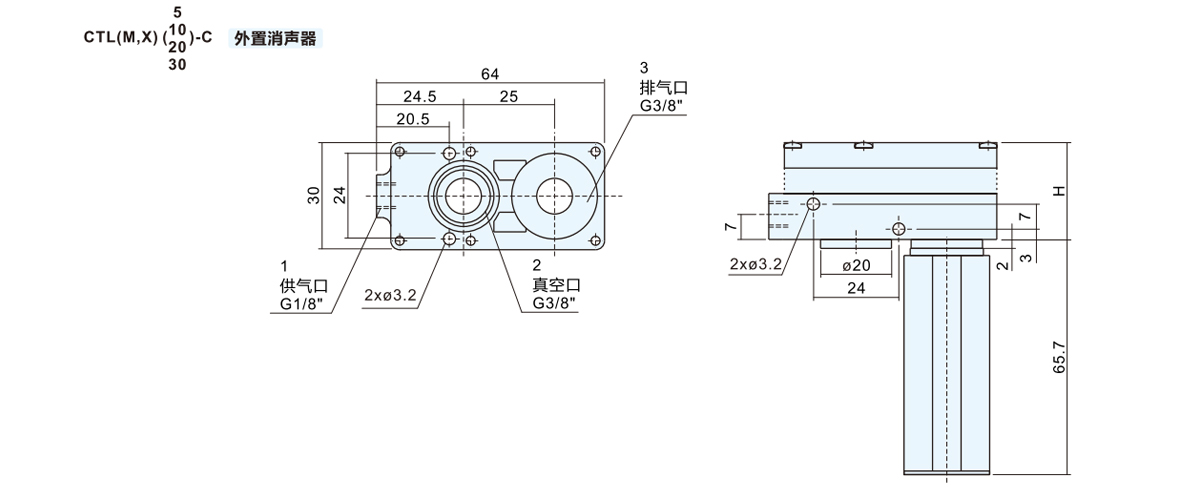
CT 系列多级真空发生器
CT系列MINI多级真空发生器
体积小,重量轻,安装方便。
采用二级扩压管,节省流量,增大真空吸入量。
有内置消音器和外置消音器两种规格
E-mail: manager@cktworld.com
下载











