流量控制阀/单向阀
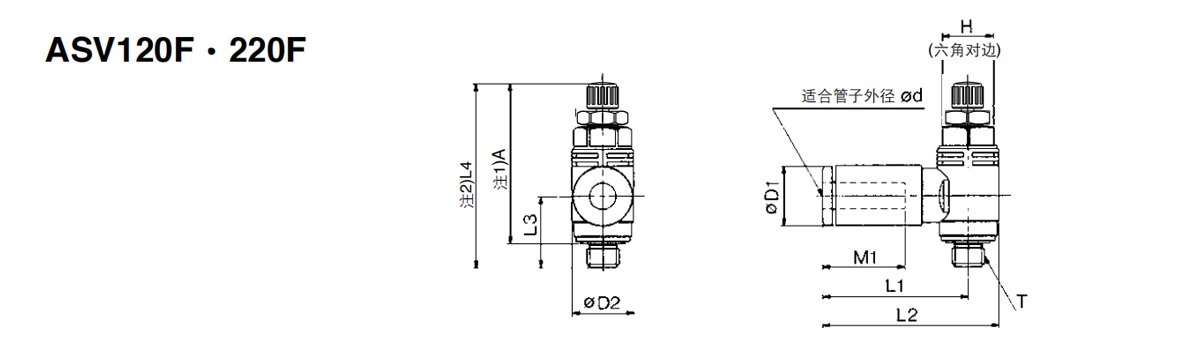
ASV系列快速排气阀
ASV系列快速排气阀是气动系列中用于加速执行机构排气过程的专用阀件,通过优化排气路径缩短气缸或气动元件的复位响应时间,提升系列动态性能。
核心特点
·排气路径优化 建立直通大气的低阻通道,确保执行元件内腔气体无阻碍泄压,消除背压导致的动作延迟。
·成式功能设计 单阀体集成进气压差导流与快速排气双功能,无需外接复杂控制回路,简化系列结构。
·工况适应性 内部动态平衡结构自适应气压波动,在频繁启停或负载突变工况下维持稳定排气特性。
·系列效率提升 通过缩短排气周期降低设备空耗时间,间接提升气动设备循环速率及能源利用效率。
·故障弱化机制 在供气中断时自动切换至排气模式,避免执行机构因残余压力产生非可控性位移。







