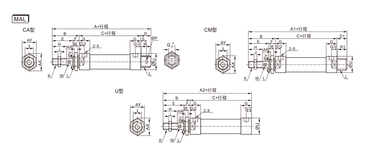
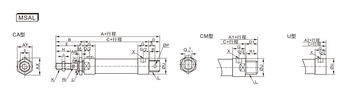
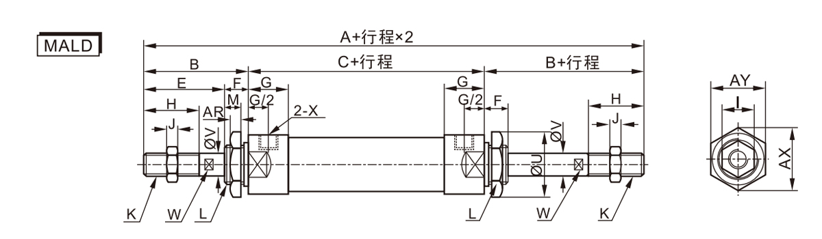
迷你气缸
MAL系列铝合金迷你气缸
1. 执行本企业标准,采用铝圆管缸体;
2. 前后盖与缸管采用螺纹连接;
3. 活塞密封采用异型双向密封结构,尺寸紧凑,有储油功能;
4. 前端盖采用自润滑轴承导向,润滑与导向性能好;
5. 多种后盖形式,使气缸安装更方便;
6. 多种规格的气缸及气缸安装附件可供客户选择使用;
E-mail: manager@cktworld.com
下载











