多轴气缸
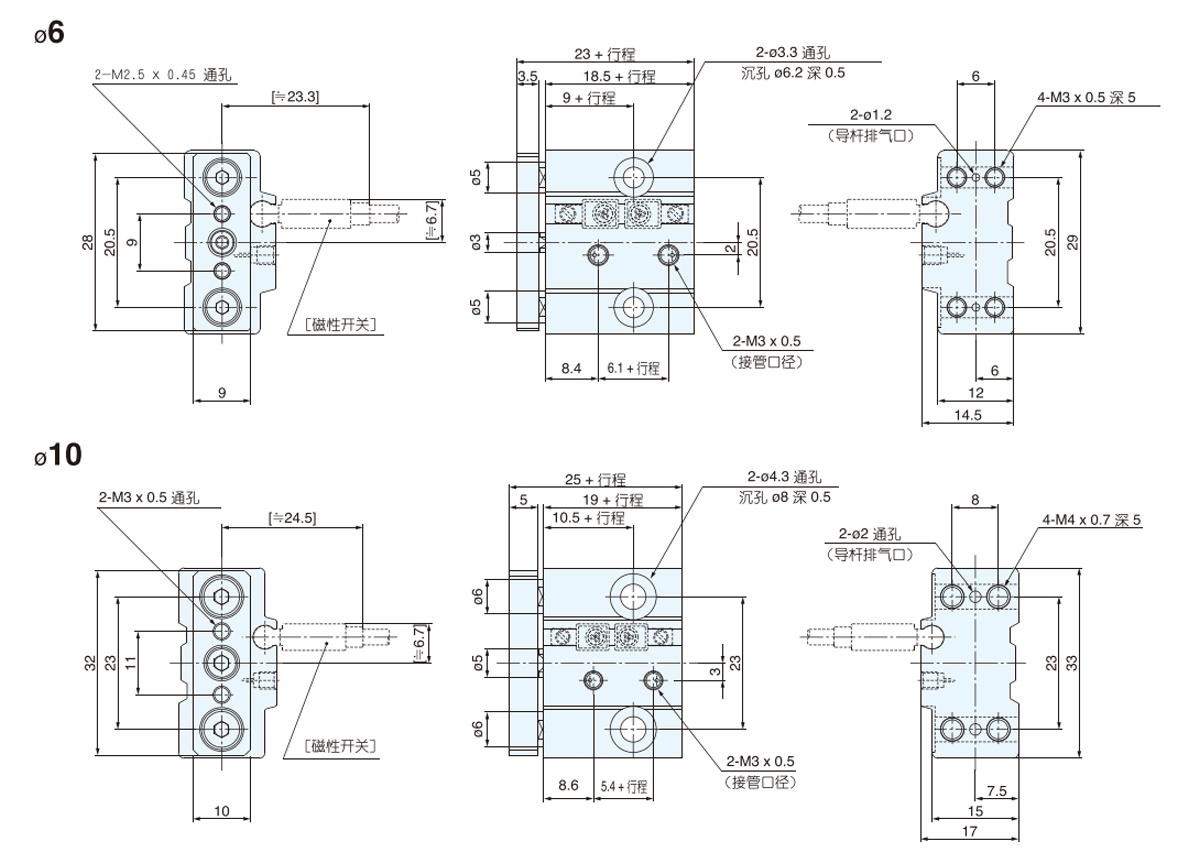
MGJ系列微型带导杆气缸
MGJ系列微型带导杆气缸是一款集成精密导向元件的超紧凑型气动执行器,专为空间高度受限且要求精确导向的自动化场景设计。
安装灵活性:本体设计支持从正面及侧面两个方向进行便捷安装,为设备内部紧凑布局提供无死角的适配方案。
极致空间优化:其核心优势在于突破性的小型化与紧凑结构设计,在提供可靠直线运动与导向的同时,将整体空间占用降至最小,是精密微小型设备和狭窄工作单元的理想驱动选择。
E-mail: manager@cktworld.com
下载





