多轴气缸
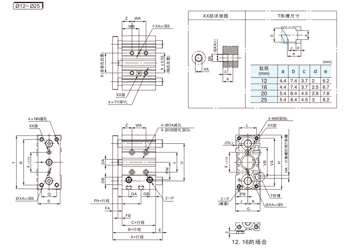
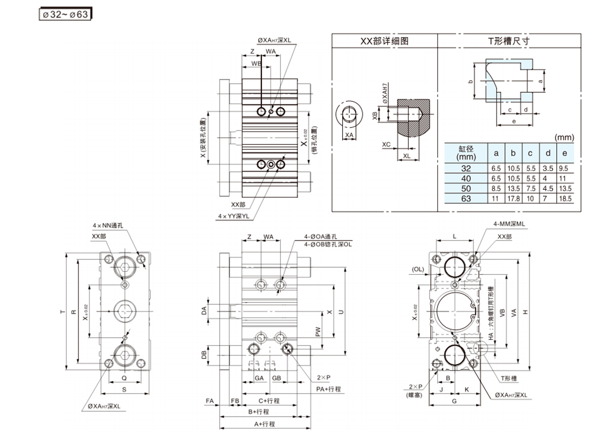
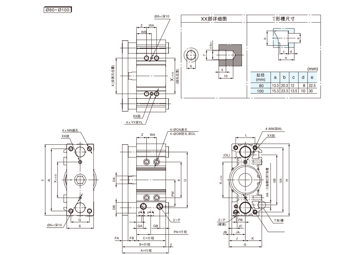
MGP系列薄型带导杆气缸
1. 体积小,轻巧
2. 耐橫向负载能力强
3. 耐扭矩能力强
4. 不回转精度高
5. 导向杆的轴承可选择滑动轴承或球轴承
6. 安装方便
7. 二面接管位置可供选择
E-mail: manager@cktworld.com
下载








