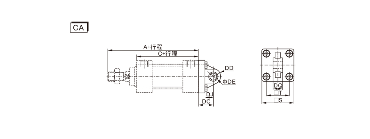
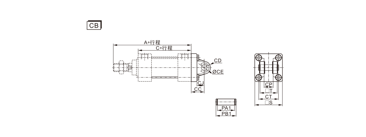
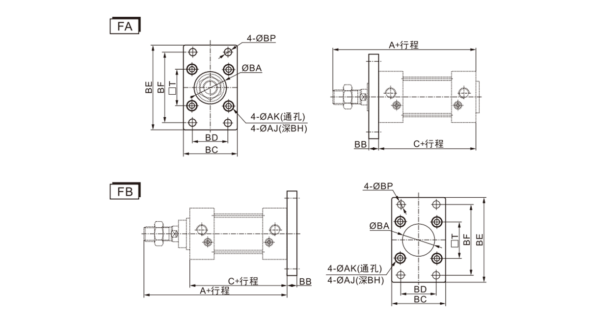
标准气缸
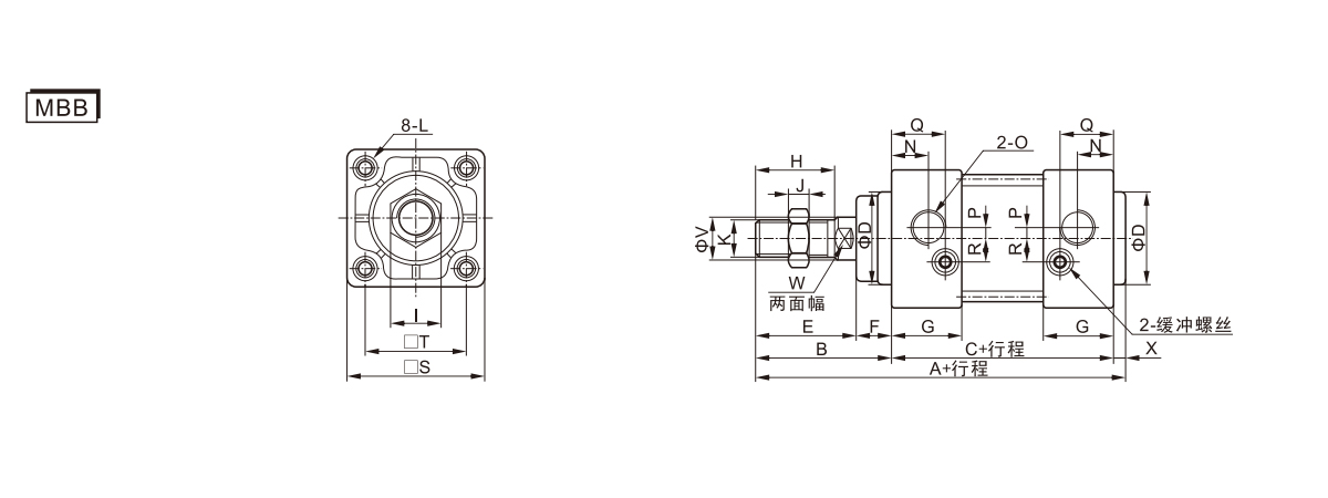
MBB系列标准型气缸
1. 活塞密封采用异型双向密封结构,尺寸紧凑,有储油功能;
2. 为拉杆式气缸,前后盖与铝管缸体用支柱连接,可靠性好;
3. 与ISO15552标准气缸相比,同缸径MBB系列气缸长度小;
4. 气缸缓冲调节平稳;
5. 多种规格的气缸及气缸安装附件可供客户选择使用;
6. 选择耐高温密封材料,可保证气缸在150℃条件下正常工作。
E-mail: manager@cktworld.com
下载













