A/B系列气源处理器
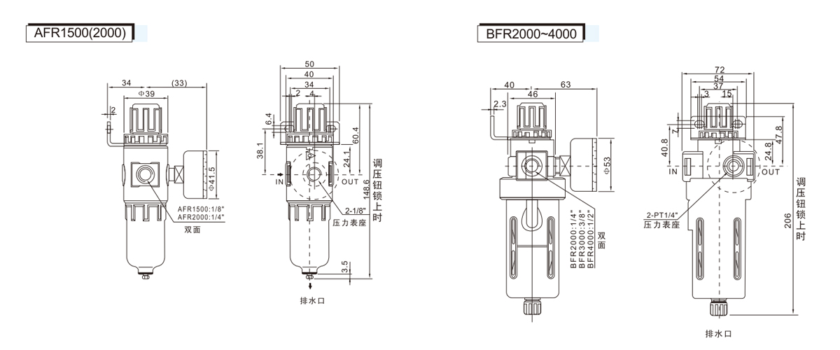
AFR/BFR系列调压过滤器
结构轻型紧凑,安装使用方便。
压入式自锁机构,可防止调定压力受外界干扰而产生异动。
压力损失小,分水效率高。
透明视察罩,可直接观察滴油量大小。
除标准形式外,另有低压型可供选择(最高可调压力为0.4MPa)。
E-mail: manager@cktworld.com
下载




