A/B系列气源处理器
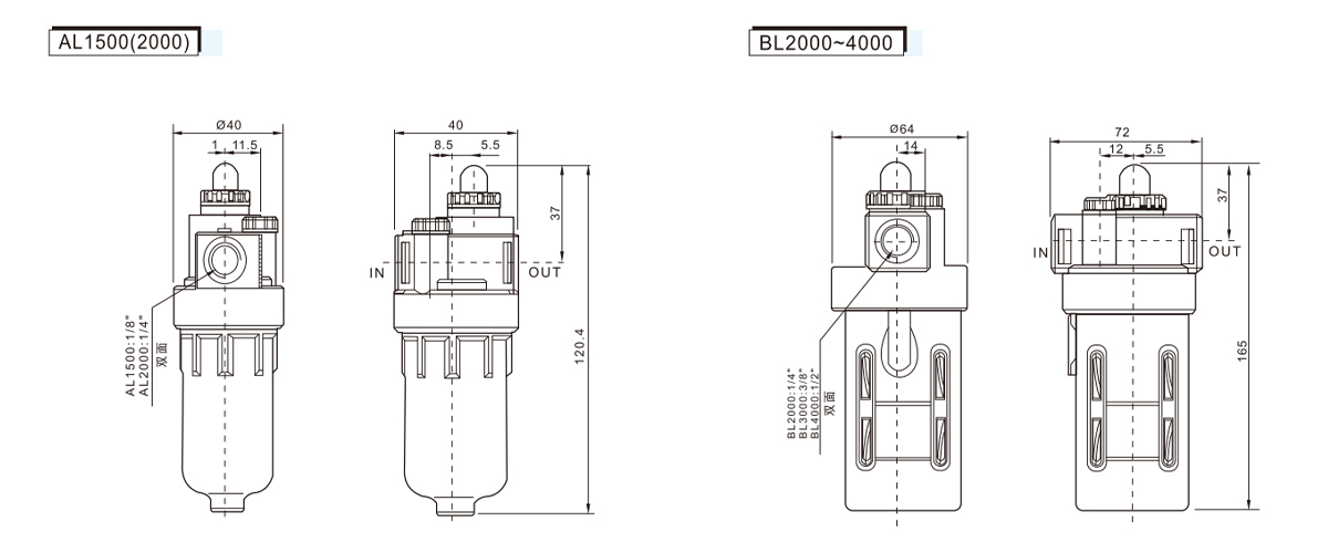
AL/BL系列油雾器
结构轻型紧凑,安装使用方便。
BL有高强度塑料保护罩,使用安全可靠。
透明视察罩,可直接观察滴油量大小
压力损失小,起雾油量低。
E-mail: manager@cktworld.com
下载




